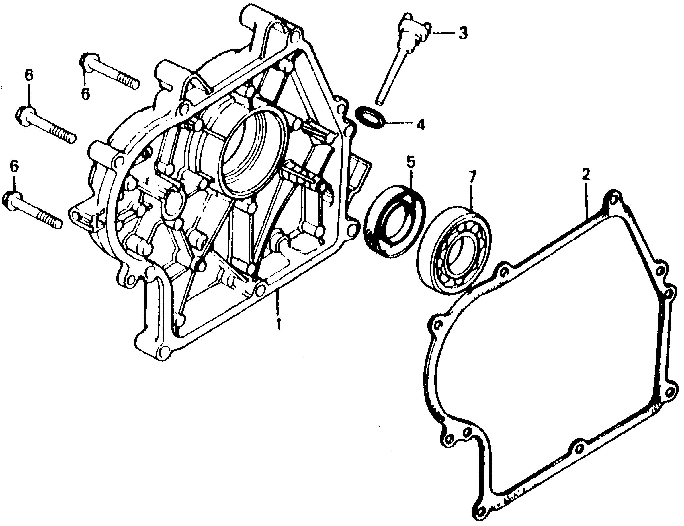
Generators E E2500 E2500K4 A E2500-2100006-9999999 CRANKCASE COVER - Bland's Lawn & Garden Equip.

Ref No
Part Number
Description
Serial Range
Qty
Price

Ref No
1
Part Number
11310-889-010
Description
COVER, CRANKCASE
Serial Range
1000001 - 9999999
Qty
Price
$188.41

Ref No
2
Part Number
11381-889-800
Description
GASKET, CASE COVER
Serial Range
1000001 - 9999999
Qty
Price
$17.16

Ref No
3
Part Number
15620-890-000
Description
CAP, OIL FILLER (YELLOW)
Serial Range
1000001 - 9999999

Ref No
4
Part Number
15621-896-010
Description
GASKET, OIL FILLER CAP
Serial Range
1115443 - 9999999
Qty
Price
$5.73

Ref No
5
Part Number
91201-890-003
Description
OIL SEAL (30X46X8)
Serial Range
1115443 - 9999999
Qty
Price
$11.87

Ref No
6
Part Number
95701-08040-08
Description
BOLT, FLANGE (8X40)
Serial Range
1000001 - 9999999
Qty
Price
$2.92

Ref No
7
Part Number
96100-62060-00
Description
BEARING, RADIAL BALL (6206)
Serial Range
1000001 - 9999999
Qty
Price
$31.98