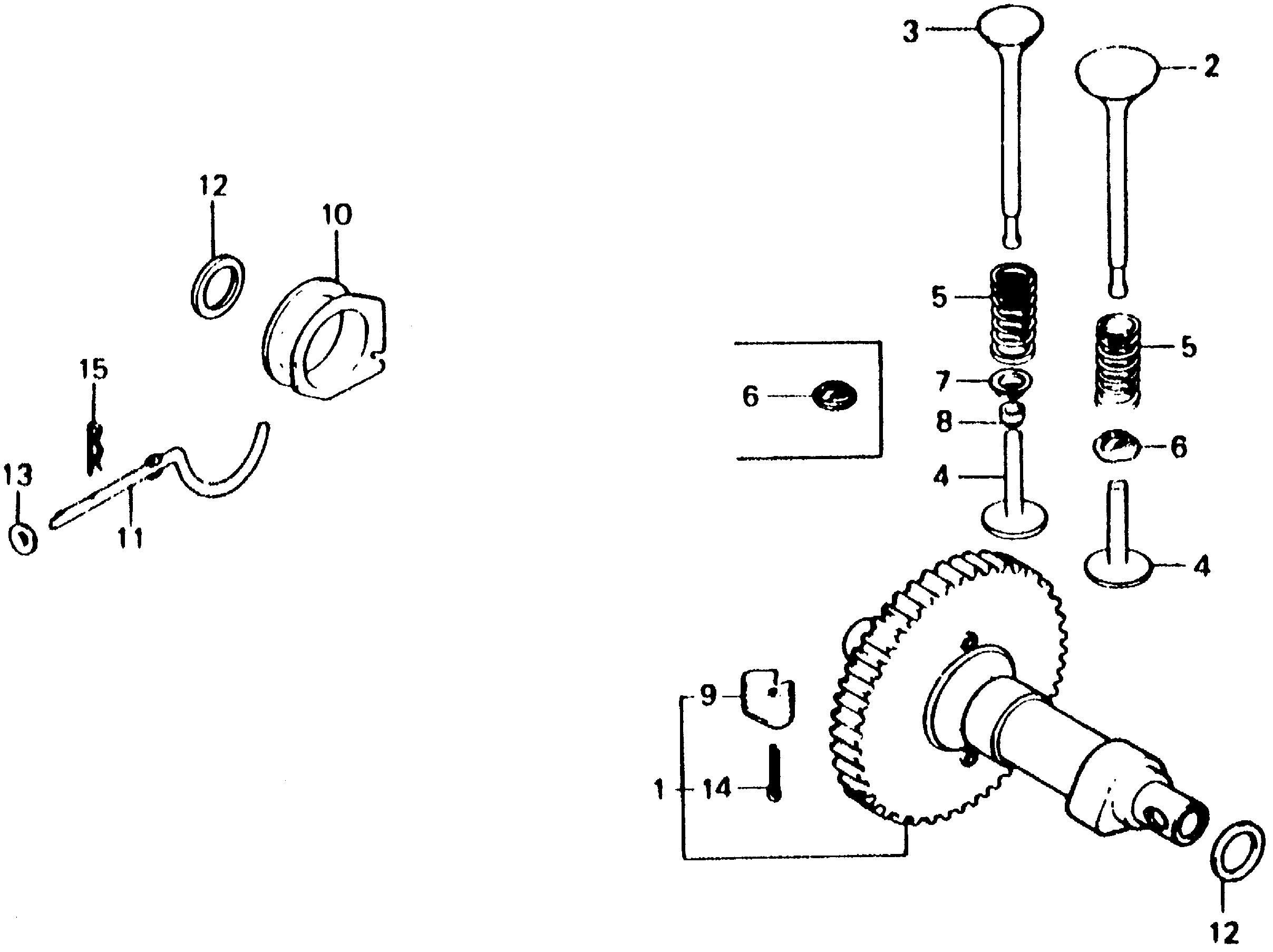
Ref No
Part Number
Description
Serial Range
Qty
Price
Ref No 1
Part Number 14110-889-030
Description CAMSHAFT ASSY.
Serial Range 1000001 - 9999999
Qty
Price $179.63
Add To Cart
Ref No 2
Part Number 14711-889-000
Description VALVE, IN.
Serial Range 1000001 - 9999999
Qty
Price $39.75
Add To Cart
Ref No 3
Part Number 14721-889-000
Description VALVE, EX.
Serial Range 1000001 - 1113122
Qty
Price $44.60
Add To Cart
Ref No 3
Part Number 14721-889-010
Description VALVE, EX.
Serial Range 1113123 - 9999999
Ref No 3
Part Number 14721-899-000
Description VALVE, EX.
Serial Range 1113123 - 9999999
Qty
Price $65.37
Add To Cart
Ref No 4
Part Number 14732-889-000
Description LIFTER, VALVE (45.89MM)
Serial Range 1113123 - 9999999
Qty
Price $22.51
Add To Cart
Ref No 4
Part Number 14737-889-000
Description LIFTER, VALVE (46.04MM)
Serial Range 1113123 - 9999999
Qty
Price $22.51
Add To Cart
Ref No 4
Part Number 14742-889-000
Description LIFTER, VALVE (46.19MM)
Serial Range 1000001 - 9999999
Qty
Price $22.51
Add To Cart
Ref No 4
Part Number 14747-889-000
Description LIFTER, VALVE (46.34MM)
Serial Range 1000001 - 9999999
Qty
Price $22.51
Add To Cart
Ref No 5
Part Number 14751-890-000
Description SPRING, VALVE (NOT AVAILABLE)
Serial Range 1000001 - 9999999
Ref No 6
Part Number 14771-883-305
Description RETAINER, VALVE SPRING
Serial Range 1000001 - 1113122
Qty
Price $14.11
Add To Cart
Ref No 7
Part Number 14771-889-000
Description RETAINER, VALVE SPRING
Serial Range 1113123 - 9999999
Ref No 8
Part Number 14781-889-000
Description ROTATOR, EX. VALVE
Serial Range 1113123 - 9999999
Qty
Price $5.33
Add To Cart
Ref No 9
Part Number 16511-883-300
Description WEIGHT, GOVERNOR
Serial Range 1113123 - 9999999
Qty
Price $2.42
Add To Cart
Ref No 10
Part Number 16531-890-000
Description SLIDER, GOVERNOR
Serial Range 1113123 - 9999999
Qty
Price $38.41
Add To Cart
Ref No 11
Part Number 16541-889-010
Description SHAFT, GOVERNOR ARM
Serial Range 1000001 - 9999999
Qty
Price $14.24
Add To Cart
Ref No 12
Part Number 90452-883-000
Description WASHER, THRUST (18MM)
Serial Range 1000001 - 9999999
Qty
Price $3.30
Add To Cart
Ref No 13
Part Number 94101-06800
Description WASHER, PLAIN (6MM)
Serial Range 1000001 - 9999999
Qty
Price $0.84
Add To Cart
Ref No 14
Part Number 94201-30250
Description PIN, SPLIT (3.0X25)
Serial Range 1000001 - 9999999
Qty
Price $1.32
Add To Cart
Ref No 14
Part Number 94201-30450
Description PIN, SPLIT (3.0X45)
Serial Range 1000001 - 9999999
Qty
Price $1.32
Add To Cart
Ref No 15
Part Number 94251-10400
Description PIN, LOCK (10MM)
Serial Range 1000001 - 9999999
Qty
Price $1.62
Add To Cart