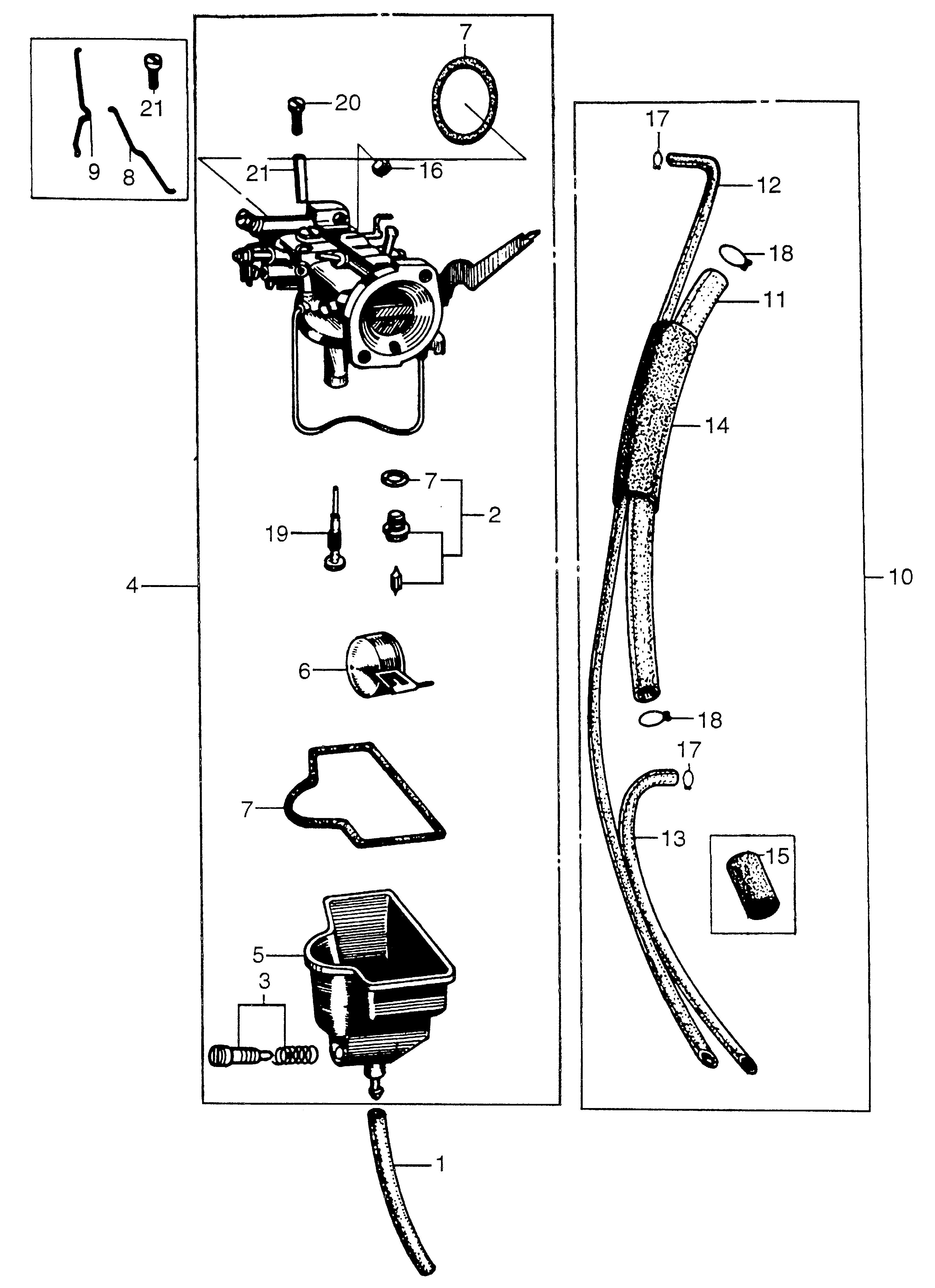
Generators E E300 E300 A GE300-100001-1106000 EK1 K2 CARBURETOR - Bland's Lawn & Garden Equip.

Ref No
Part Number
Description
Serial Range
Qty
Price

Ref No
1
Part Number
15777-812-000
Description
TUBE, CARBURETOR DRAIN (NOT AVAILABLE)
Serial Range
1006203 - 2000000

Ref No
2
Part Number
16011-866-004
Description
VALVE SET, FLOAT
Serial Range
1000001 - 2000000

Ref No
3
Part Number
16024-812-004
Description
SCREW SET, DRAIN (NOT AVAILABLE)
Serial Range
2000001 - 9999999

Ref No
4
Part Number
16100-812-014
Description
CARBURETOR ASSY. (NOT AVAILABLE)
Serial Range
1000001 - 9999999
Qty
Price
$186.17

Ref No
5
Part Number
16121-812-004
Description
CUP, FLOAT (NOT AVAILABLE)
Serial Range
1000001 - 9999999

Ref No
6
Part Number
16122-812-004
Description
FLOAT SET (N/A: USE P/N 16013-812-004) (ALT. PNO: 16013-812-004)
Serial Range
1000001 - 9999999

Ref No
7
Part Number
16174-204-004
Description
GASKET SET (NOT AVAILABLE)
Serial Range
1000001 - 9999999

Ref No
8
Part Number
16545-812-000
Description
ROD, GOVERNOR (NOT AVAILABLE)
Serial Range
1000001 - 9999999
Qty
Price
$3.95

Ref No
9
Part Number
16625-812-000
Description
ROD, CHOKE (NOT AVAILABLE)
Serial Range
1000001 - 9999999

Ref No
10
Part Number
16850-812-000
Description
TUBE ASSY., FUEL (NOT AVAILABLE)
Serial Range
1000001 - 1004270

Ref No
10
Part Number
16850-812-010
Description
TUBE ASSY., FUEL (NOT AVAILABLE)
Serial Range
1004271 - 1240000

Ref No
11
Part Number
16851-812-000
Description
TUBE, FUEL (NOT AVAILABLE)
Serial Range
1000001 - 1004270

Ref No
11
Part Number
16851-812-010
Description
TUBE, FUEL
Serial Range
1004271 - 1240000

Ref No
11
Part Number
95001-45003-60M
Description
BULK HOSE, FUEL (4.5X3000) (4.5X143)
Serial Range
1004271 - 1240000
Qty
Price
$55.99

Ref No
12
Part Number
16852-812-000
Description
TUBE, VALVE BREATHER (NOT AVAILABLE)
Serial Range
1000001 - 9999999

Ref No
13
Part Number
16853-812-000
Description
TUBE, CARBURETOR OVERFLOW (NOT AVAILABLE)
Serial Range
1000001 - 9999999

Ref No
14
Part Number
16854-812-000
Description
RUBBER A, SUPPORTER
Serial Range
1000001 - 9999999

Ref No
14
Part Number
16854-836-010
Description
RUBBER, SUPPORTER (NOT AVAILABLE)
Serial Range
1000001 - 9999999

Ref No
15
Part Number
16855-812-000
Description
RUBBER B, SUPPORTER
Serial Range
1000001 - 9999999

Ref No
16
Part Number
94001-05000-0S
Description
NUT, HEX. (5MM)
Serial Range
1000001 - 9999999
Qty
Price
$3.51

Ref No
18
Part Number
95002-45000
Description
CLIP, TUBE (C8)
Serial Range
1240001 - 9999999
Qty
Price
$1.64

Ref No
19
Part Number
99108-05504
Description
JET, MAIN (#55) (NOT AVAILABLE)
Serial Range
1000001 - 1098238

Ref No
21
Part Number
99157-03504
Description
JET, PILOT (#35) (NOT AVAILABLE)
Serial Range
1000001 - 9999999