Generators EM EM400 EM400 A EM400-1000001-9999999 TOOLS - Bland's Lawn & Garden Equip.

Ref No
Part Number
Description
Serial Range
Qty
Price

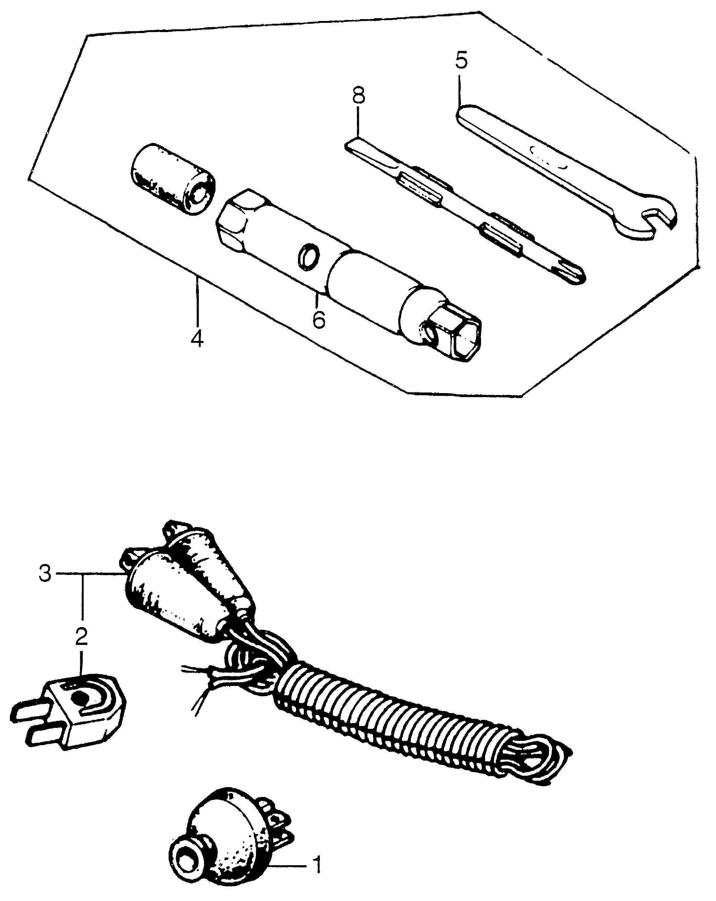
Ref No
1
Part Number
32310-801-810
Description
PLUG ASSY. (NOT AVAILABLE)
Serial Range
1000001 - 9999999

Ref No
2
Part Number
32340-812-303
Description
RECEPTACLE ASSY., SWITCH (NOT AVAILABLE)
Serial Range
1000001 - 9999999

Ref No
3
Part Number
32650-884-005
Description
WIRE ASSY., CHARGE (NOT AVAILABLE)
Serial Range
1000001 - 9999999

Ref No
4
Part Number
89000-836-000
Description
TOOL ASSY. (N/A: SEE COMPONENTS)
Serial Range
1000001 - 9999999

Ref No
5
Part Number
89203-836-000
Description
SPANNER (8MM) (NOT AVAILABLE)
Serial Range
1000001 - 9999999

Ref No
8
Part Number
89221-812-000
Description
SCREWDRIVER
Serial Range
1000001 - 9999999